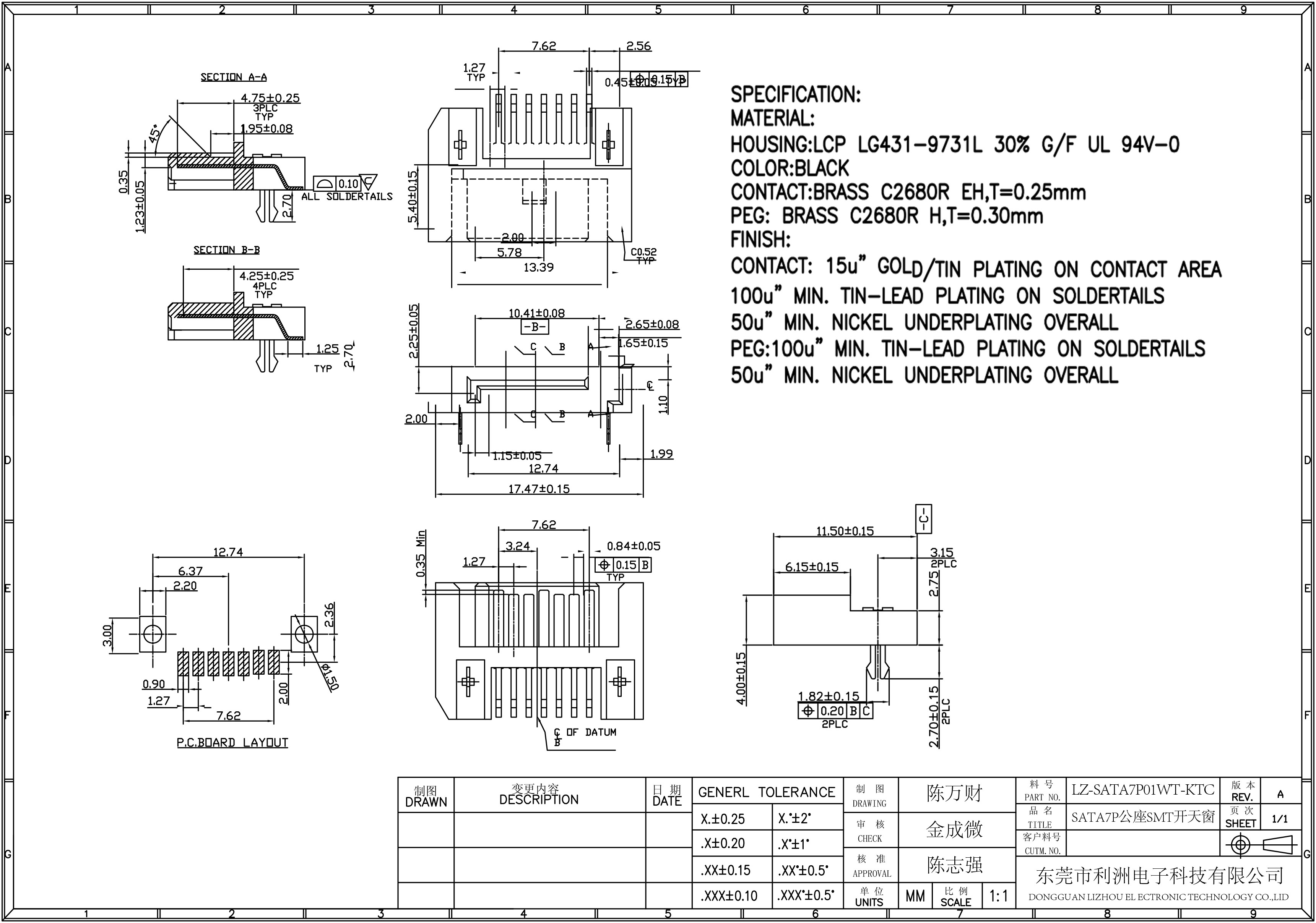
SATA7P公座SMT开天窗

技术参数:

Housing: LCP LG431-9731L 30% G/F UL 94V-0

Color: Black

Contact: Brass c2680r EH,T=0.25mm

Peg: Brass C2680R H,T=0.25mm

Finish Contact: 15u" gold/tin plating on contact area 100u" min tin-lead plating on soldertails 50u" min nickel underplating overall

Finish Peg: 100u" min tin-lead plating on soldertails 50u" min nickel underplating overall

给我留言

如果您对我们有任何意见,建议或需求,请与我们联系.

含有*的内容为必填项,其他可选项。

您可能感兴趣

乐玩LEWIN
网站地图