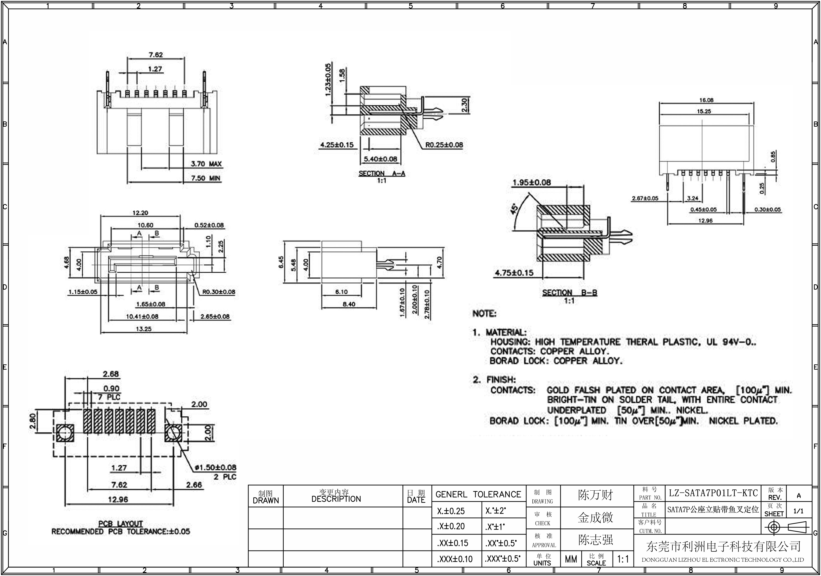
• SATA7P公座立贴带鱼叉定位

    技术参数:

    Housing: HIGH TEMPERATURE THERAL PLASTIC UL94V-0

    Contacts: Copper Alloy

    Borad Lock: Copper Alloy

    Finish Contact:  gold falsh plated on contact area [100"]min bright-tin on solder tail with entire with entire contact underplated [50u"]min nickel

    给我留言

    如果您对我们有任何意见,建议或需求,请与我们联系.

    含有*的内容为必填项,其他可选项。

    您可能感兴趣

    乐玩LEWIN
    网站地图