语言
产品详情请点击资料下载→下载图纸
HY2.0带扣系列
技术参数:
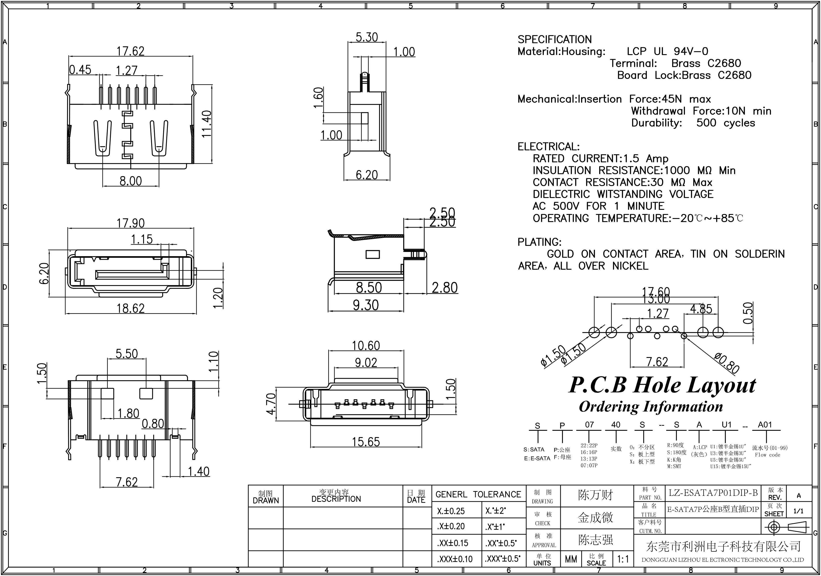
Insertiom Force: 45N max
Withdrawal Force: 10N min
Durability: 500 cycles
Rated Current: 1.5 Amp
Insulation Resistance: 1000MΩ Min
Dielectric Withstanding: AC 500V For 1 Minute
Temperature Range: -20°C~+85°C
如果您对我们有任何意见,建议或需求,请与我们联系.
含有*的内容为必填项,其他可选项。
PH2.0mm间距系列
PA2.0mm间距系列