语言
产品详情请点击资料下载→下载图纸
HY2.0带扣系列
技术参数:
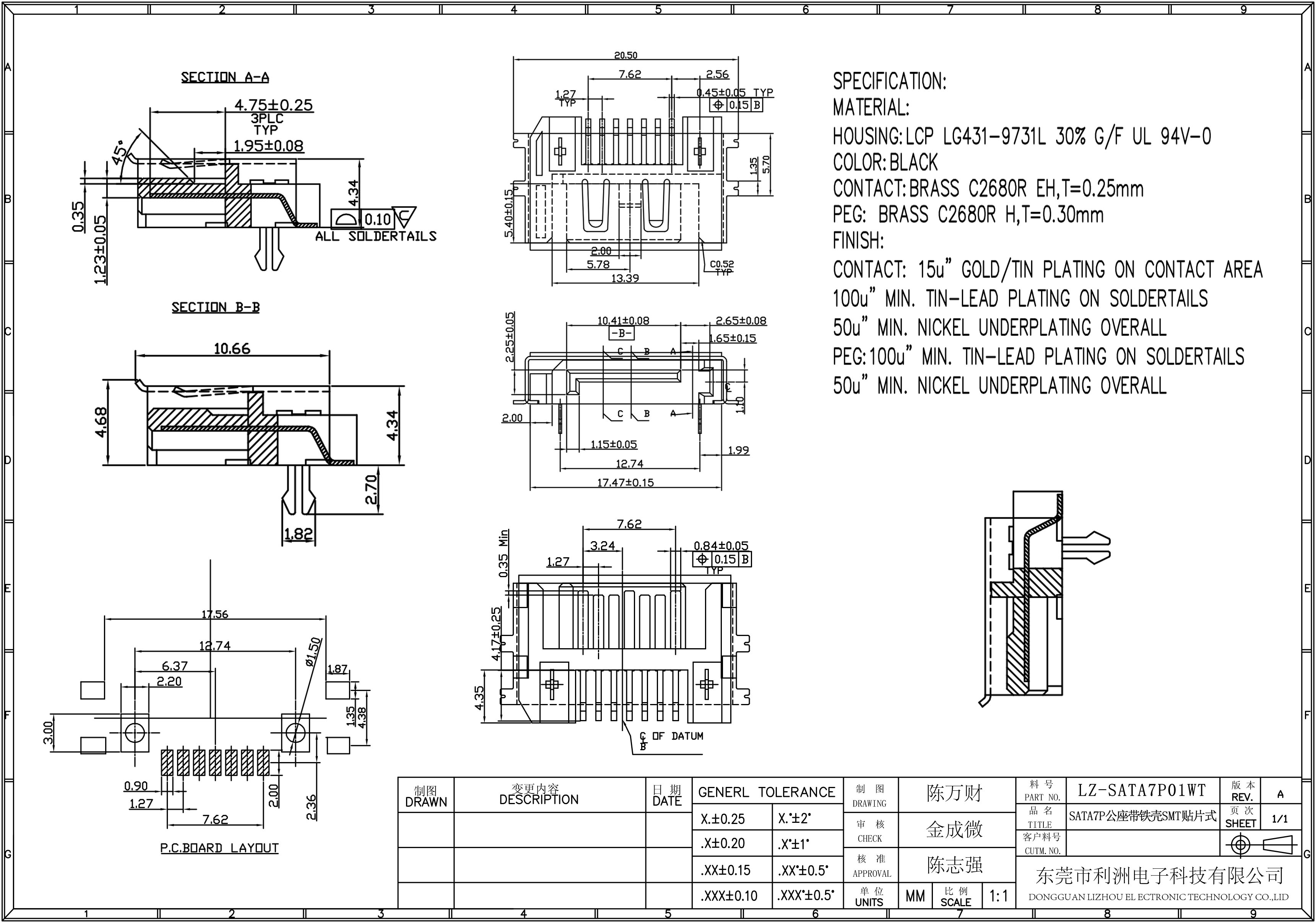
Housing: LCP LG431-9731L 30% G/F UL 94V-0
Color: Black
Contact: Brass C2680R EH,T=0.25mm
Peg: Brass C2680R H,T=0.30mm
Finish Contact: 15u" gold/tin plating on contact area 100u" min tin-lead plating on soldertails 50u" min nickel underplating overall
如果您对我们有任何意见,建议或需求,请与我们联系.
含有*的内容为必填项,其他可选项。
PH2.0mm间距系列
PA2.0mm间距系列