technical parameter:
Poles: 2 to16P
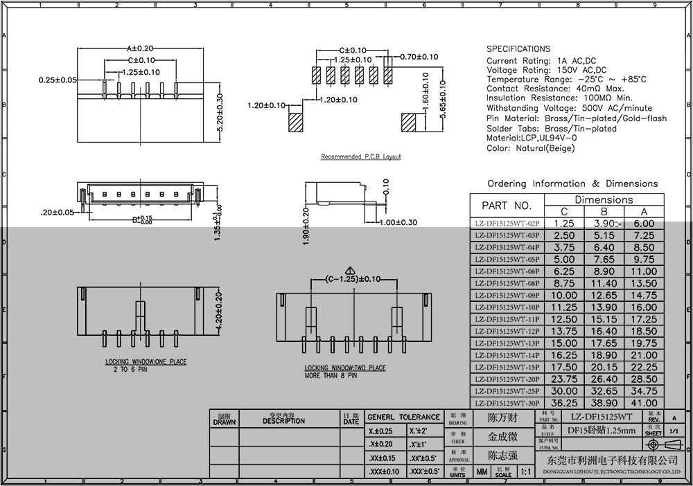
Contact resistance: 40mΩ Max.
Insulation resistance: 100MΩ Min
Rated voltage: 150V AC,DC
Rated current: 1A AC.DC
Withstand voltage: 500V AC/minute

Email:544674696@qq.com
phones:15999833900
Address:753A, Minghe E-commerce Industrial Park, Chang'an Town, Dongguan City