technical parameter:
Poles: 2 to15P
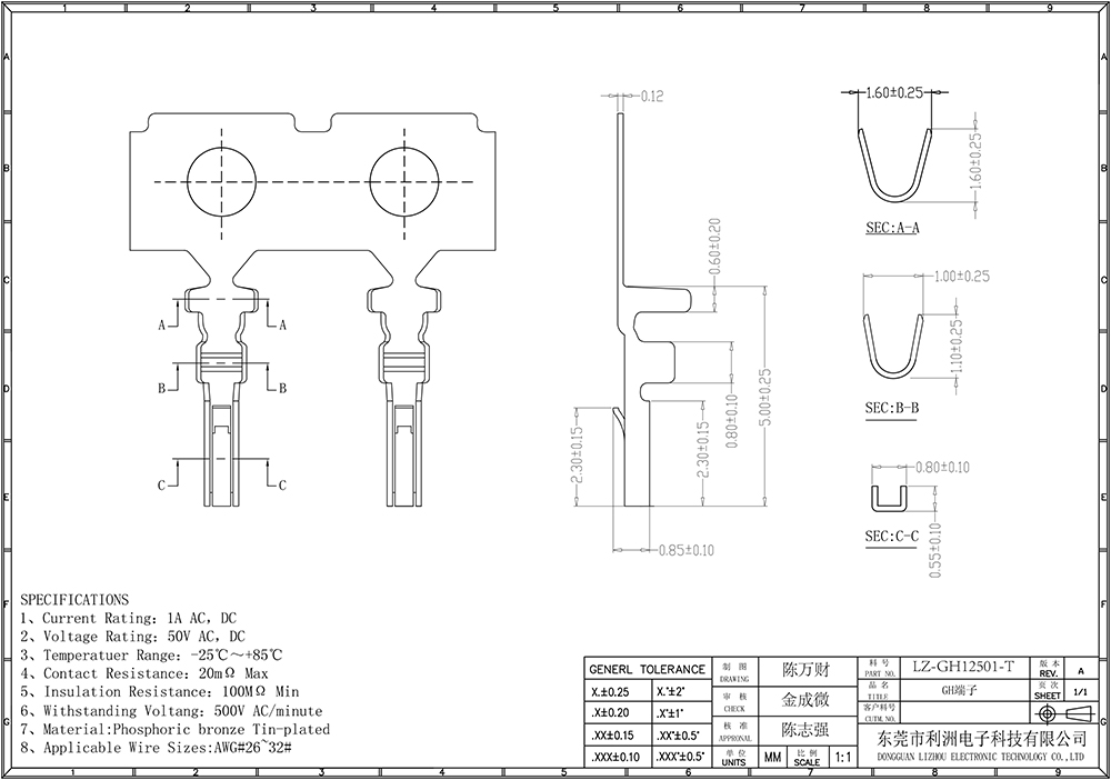
Contact resistance: 20mΩ Max
Insulation resistance: Insulation resistanc
Rated voltage: 50V AC,DC
Rated current: 1A AC,DC
Withstand voltage: 500V AC/minute

Email:544674696@qq.com
phones:15999833900
Address:753A, Minghe E-commerce Industrial Park, Chang'an Town, Dongguan City