语言
产品详情请点击资料下载→下载图纸
HY2.0带扣系列
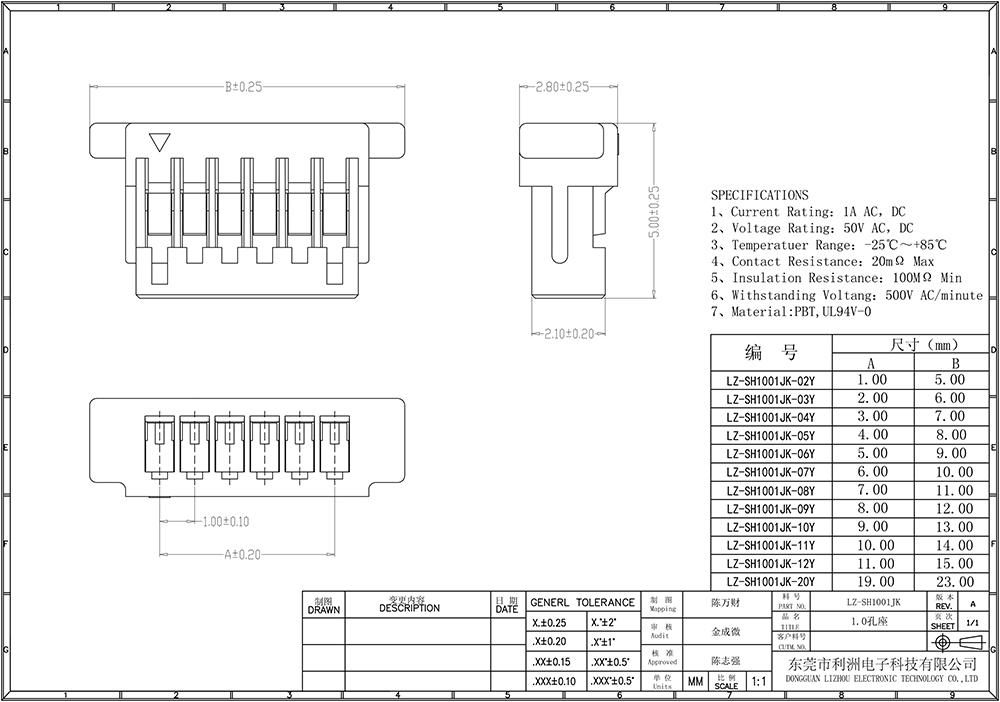
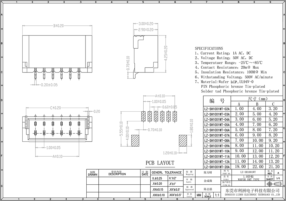
技术参数:
Poles: 2 to16P
Contact resistance: 20mΩ Max
Insulation resistance: 100MΩ Min
Rated voltage: 50V AC,DC
Rated current: 1A AC,DC
Withstand voltage: 500V AC/minute
如果您对我们有任何意见,建议或需求,请与我们联系.
含有*的内容为必填项,其他可选项。
PH2.0mm间距系列
PA2.0mm间距系列