语言
产品详情请点击资料下载→下载图纸
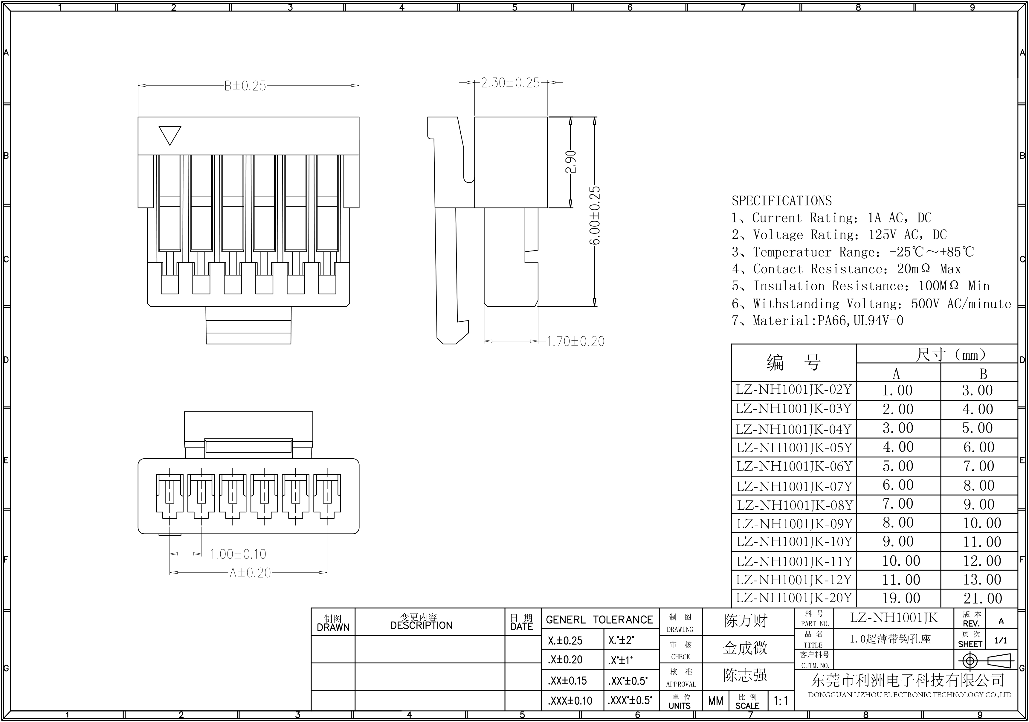
HY2.0带扣系列
技术参数:
Rated current: 1A AC DC
Rated voltage: 125V AC DC
Temperature Range: -25°C~+85°C
Contact resistance: 20mΩ Max
Insulation resistance: 20MΩ Min
Withstand voltage: 500V AC/minute
如果您对我们有任何意见,建议或需求,请与我们联系.
含有*的内容为必填项,其他可选项。
PH2.0mm间距系列
PA2.0mm间距系列