technical parameter:
Poles: 2 to7P
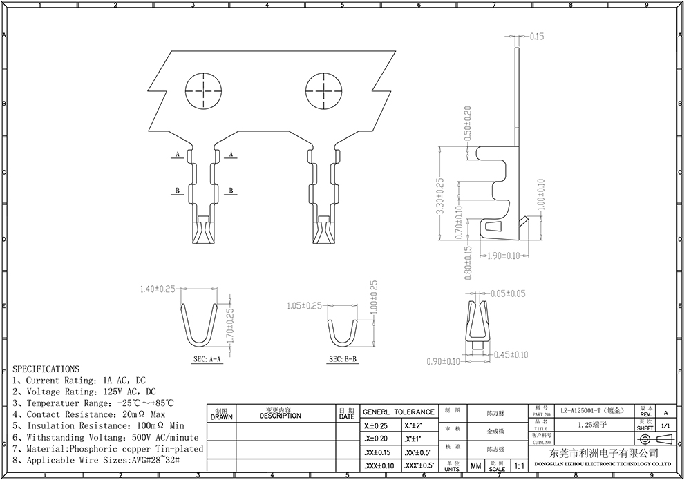
Contact resistance: 20mΩ Max
Insulation resistance: 100MΩ Min
Rated voltage: 50V AC / DC
Rated current: 2A AC / DC
Withstand voltage: 500V AC/minute

Email:544674696@qq.com
phones:15999833900
Address:753A, Minghe E-commerce Industrial Park, Chang'an Town, Dongguan City