语言
产品详情请点击资料下载→下载图纸
HY2.0带扣系列
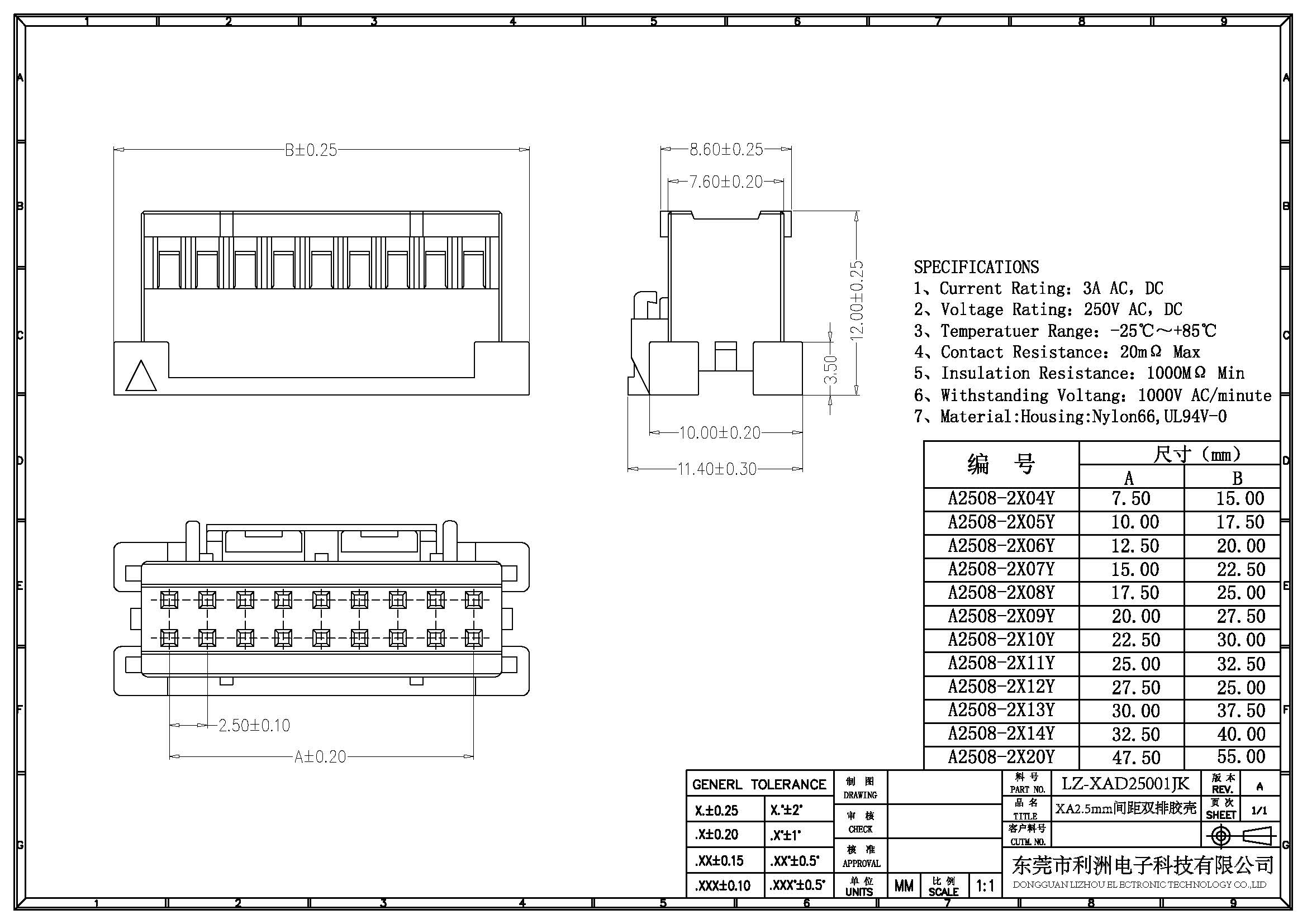
技术参数:
Current Rating: 3A AC,DC
Voltage Rating: 250V AC,DC
Temperatuer Range: -25℃~+85℃
Contact Resistance: 20mΩ Max
Insulation Resistance: 1000M Min
Withstanding Voltang: 1000V AC/minute
Material: Housing:Nylon66,UL94V-0
如果您对我们有任何意见,建议或需求,请与我们联系.
含有*的内容为必填项,其他可选项。
PH2.0mm间距系列
PA2.0mm间距系列