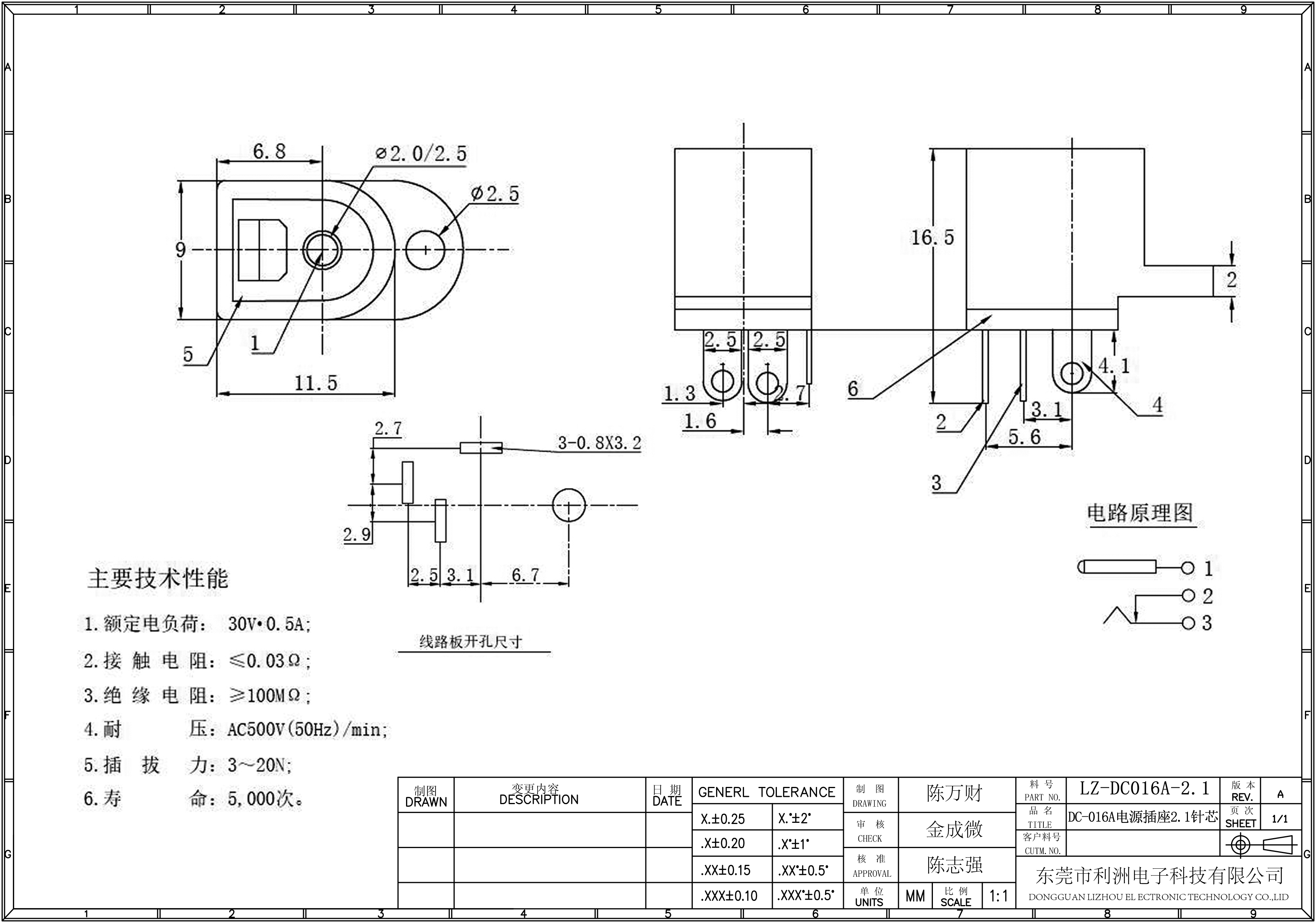
DC-016A电源插座5.5 2.1 2.5针芯

技术参数:

Rated load: 30V 0.5A

Contact resistance: ≤0.03Ω

Insulation resistance: ≥100MΩ

Pressure-resistant: AC500V(50Hz)/min

Insertion and unplugging force: 3~20N

Life span: 5000 times

给我留言

如果您对我们有任何意见,建议或需求,请与我们联系.

含有*的内容为必填项,其他可选项。

您可能感兴趣

乐玩LEWIN
网站地图