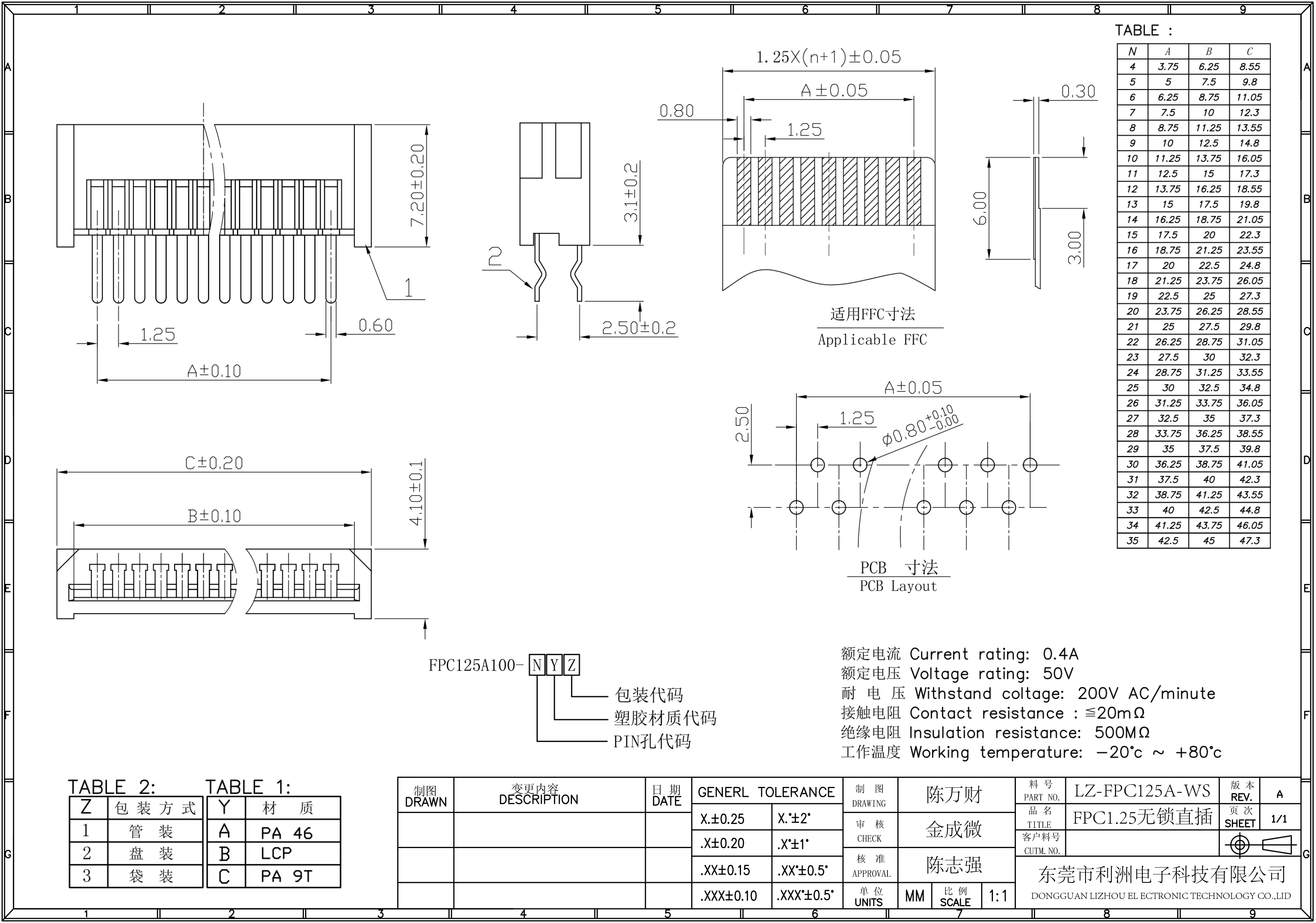
FPC1.25mm间距错位直插

技术参数:

Current rating: 0.4A

Volatage rating: 50V

Withstand coltage: 200V AC/MIN

Contact resistance: ≤20mΩ

Insulation resistance: 500mΩ

Working temperature: -20℃~+80℃

给我留言

如果您对我们有任何意见,建议或需求,请与我们联系.

含有*的内容为必填项,其他可选项。

您可能感兴趣

乐玩LEWIN
网站地图