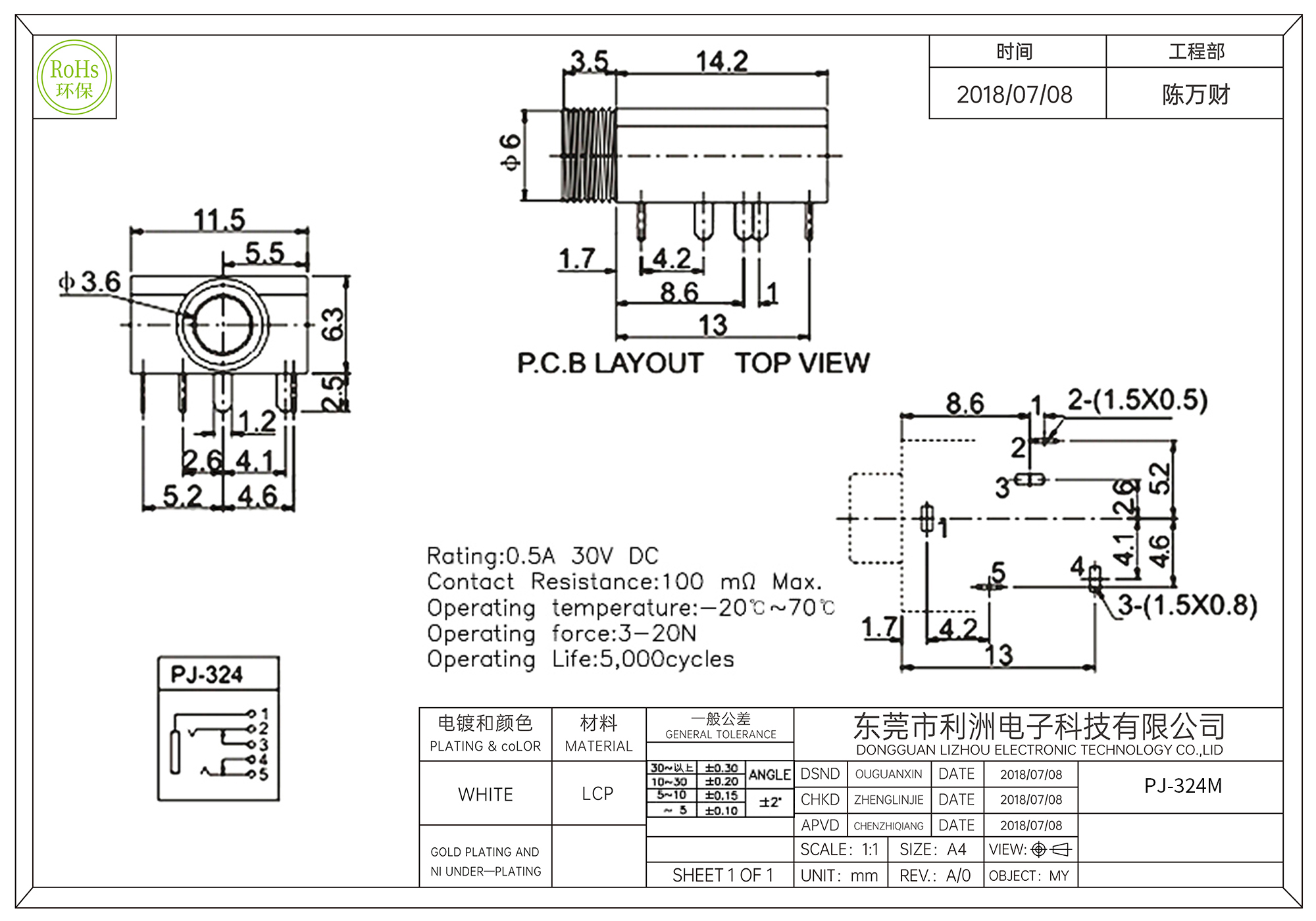
PJ-324M耳机插座3.5mm五脚插件

技术参数:

Temperature Range: -20°C~+70°C

rated load: DC 30V 0.5A

Contact resistance: ≤0.03mΩ

Insulation resistance: ≥100MΩ DC 250V

Withstand voltage: AC 500V(50Hz) 1min

Insertion and extraction force: 3~20N

Life Test:  5000 cycles

给我留言

如果您对我们有任何意见,建议或需求,请与我们联系.

含有*的内容为必填项,其他可选项。

您可能感兴趣

乐玩LEWIN
网站地图