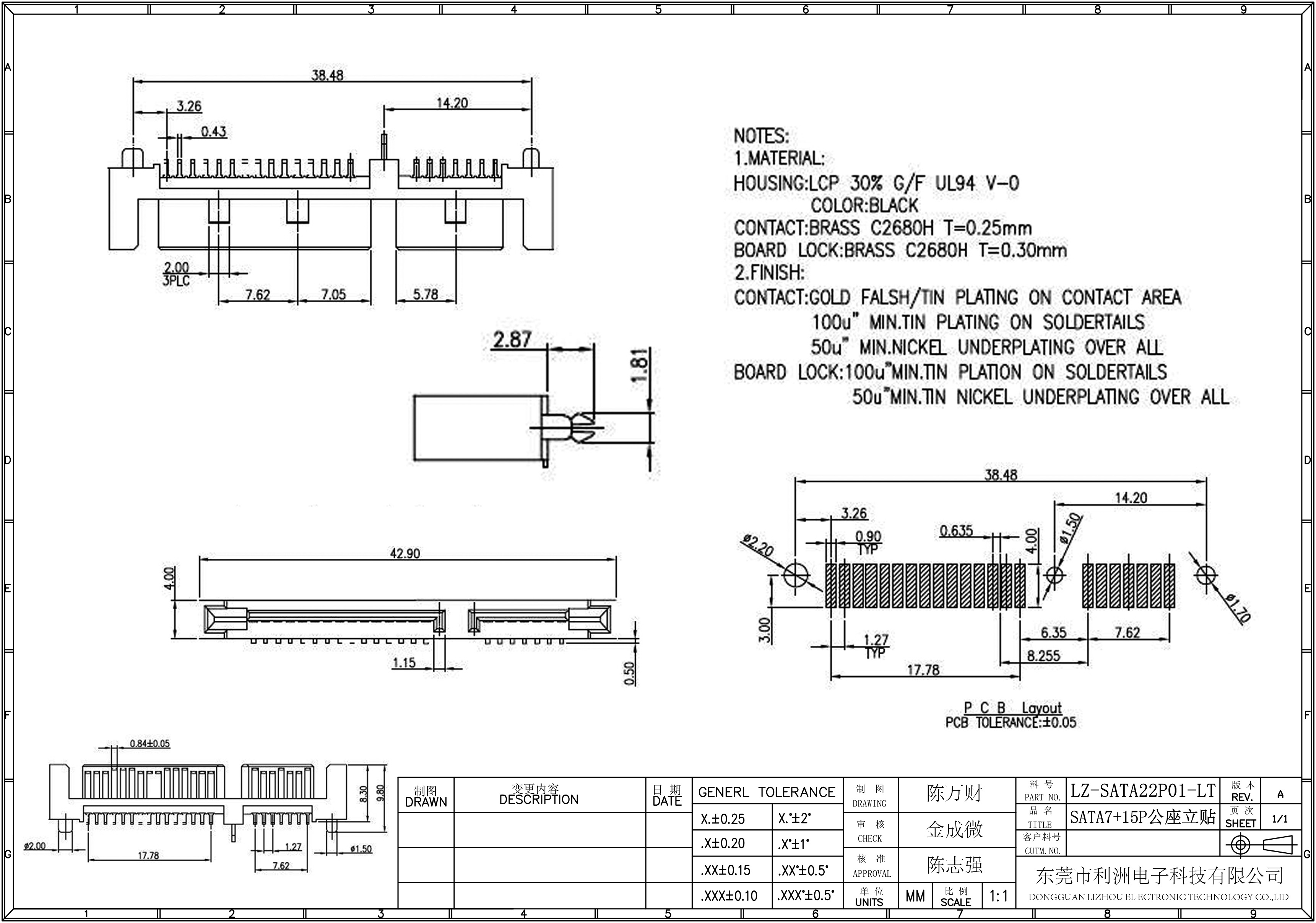
SATA7+15P公座180°直插带固定柱

技术参数:

Finish Peg:  LCP 30% G/F UL94V-0

Color: Black

Contact: Brass C2680H T=0.30mm

Finish Contact: gold falsh/tin plating on contact area 100u“ min plating on soldertails 50u“ min nickel underplating over all

Finish Board lock: 100u" min tin-lead plating on soldertails 50u" min nickel underplating overall

Board lock: Brass C2680H T=0.30mm

给我留言

如果您对我们有任何意见,建议或需求,请与我们联系.

含有*的内容为必填项,其他可选项。

您可能感兴趣

乐玩LEWIN
网站地图