语言
产品详情请点击资料下载→下载图纸
HY2.0带扣系列
技术参数:
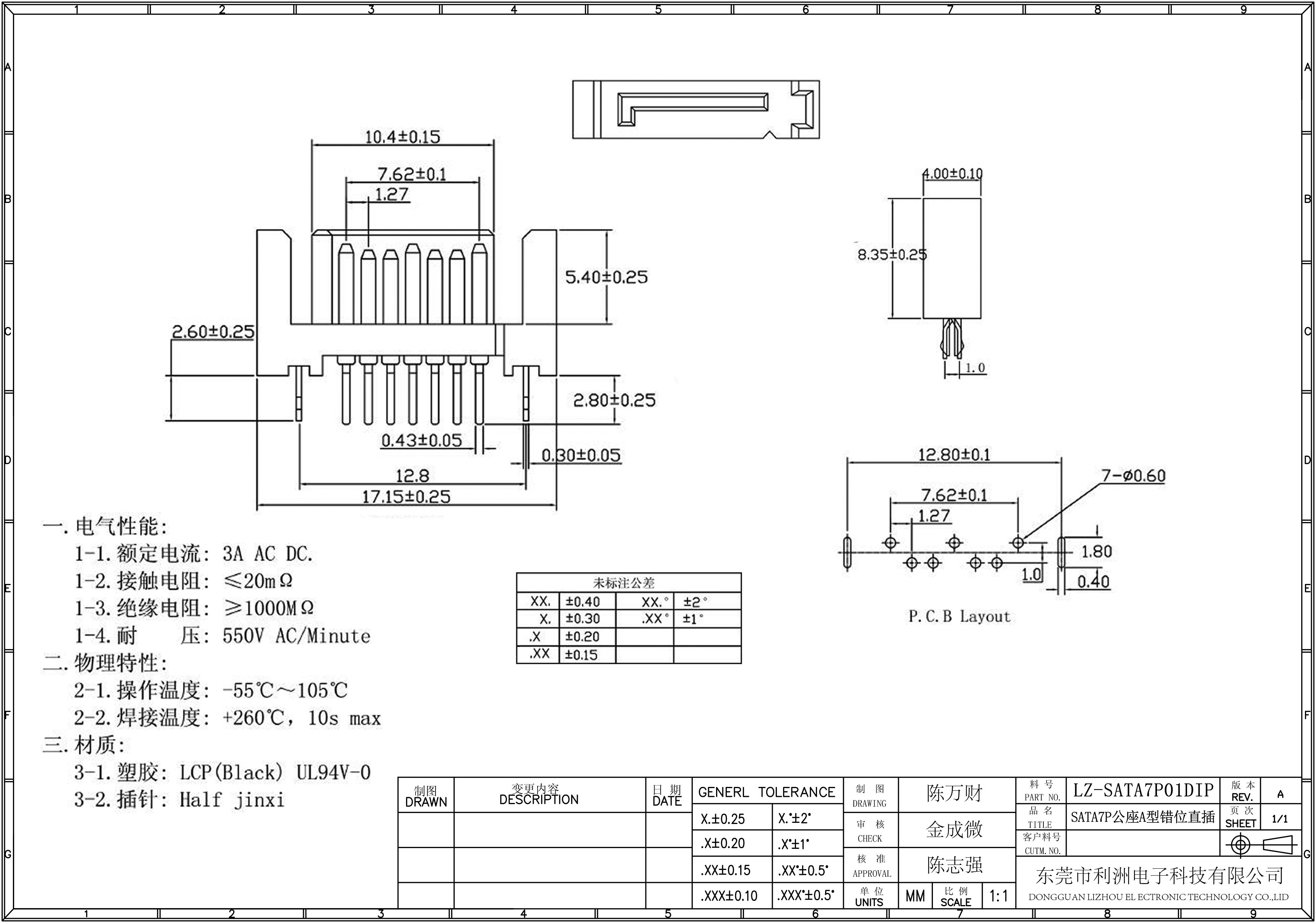
Rated current: 3A AC DC
Contact resistance: ≤20mΩ
Insulation resistance: ≥1000MΩ
Withstand voltage: 550V AC/Minute
Temperature Range: -55°C~+105°C
如果您对我们有任何意见,建议或需求,请与我们联系.
含有*的内容为必填项,其他可选项。
PH2.0mm间距系列
PA2.0mm间距系列